Siemens

SIEMENS KOMPLE ACİL STOP EMERGENCY STOP 40MM ÇEVİR-KUR 4011209957855

Ürün Kodu : SIE-3SU1100-1HB20-1CG0
%68 İskonto
3.088,80 TL
988,42 TL
2.100,38 TL
KDV Dahildir.
9ayavaran1.png (11 KB)
güvenli1a.png (10 KB)
Kampanya
  • Ürün Özellikleri
  • Ödeme Seçenekleri
  • İade ve Teslimat
  • Yorumlar (0)
  • SIEMENS 3SU1100-1HB20-1CG0 ACİL DURDURMA MANTAR BUTON 22 MM KIRMIZI 40 MM 1NC

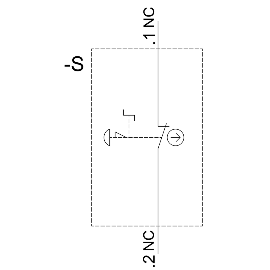
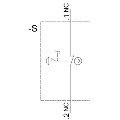
    Siemens SIRIUS ACT serisine ait bu acil durdurma butonu, 22 mm çapında, kırmızı renkli ve 40 mm mantar başlıklı olarak tasarlanmıştır. Zorunlu kilitlemeli yapıya sahip olup DIN EN ISO 13850 standardına uygundur. “EMERGENCY STOP” ibareli sarı etiketle birlikte sunulur. Durdurma komutu verildikten sonra buton sadece döndürülerek eski konumuna getirilebilir. Bu özellik, güvenlik odaklı uygulamalarda yanlışlıkla çalıştırmayı önler.

    Plastik gövdesi ve sağlam yapısıyla uzun ömürlü kullanım sunar. Ürün, tutuculu yapıdadır ve 1 adet NC (normalde kapalı) kontağa sahiptir. Vida tipi klemens bağlantı ile montajı yapılır. Aletsiz ve hızlı kurulum imkânı sağlayan geçmeli tasarımı sayesinde montaj sırasında zaman kazandırır. Ayrıca %100 bükülme koruması ile yivsiz deliklerle montaj yapılabilir.

    Yüksek koruma sınıfı ile donatılmış bu buton, hem endüstriyel uygulamalarda hem de zorlu dış ortam koşullarında güvenle kullanılabilir. Toza, suya, yağa ve çeşitli kimyasallara karşı dirençlidir. Yüksek basınçla temizlenebilir.

    İhtiyaca göre farklı mantar çapı, aydınlatmalı seçenekler ve açma mekanizmaları (çekerek, döndürerek vb.) sunulmaktadır. Ürün; buton başlığı, etiket, modül ve tutucu dahil şekilde eksiksiz olarak teslim edilir. PROFINET, AS-Interface ve IO-Link desteği sayesinde modern kontrol sistemleriyle kolay entegrasyon sağlar.

    MarkaSiemens
    Tedarikçi No3SU1100-1HB20-1CG0
    AçıklamaEMERGENCY STOP mushroom pushbutton, 22 mm, round, plastic, red, 40 mm, positive latching, acc. to EN ISO 13850, rotate-to-unlatch, with yellow backing plate, inscription: EMERGENCY STOP, with holder, 1 NC, screw terminal
    GTIN4011209957855
    Ağırlık0.086
    Derinlik0.04
    En0.1
    Uzunluk0.12
    Emtia Kodu (GTİP)85365080
    Ürün SınıfıA: Standard product which is a stock item could be returned within the returns guidelines/period.
    • Videolar

  • İade Kabulu: İade edilen ürünlerin kutusu ambalajı zarar görmemiş, yeniden satılabilir kullanılabilir ve satışa hazır olması halinde iadeler kabul edilir.

    İade Reddi: Ürünün kutusu ambalajı açılmış ve montajı yapılmış ürünlerin iadesi kesinlikle kabul edilmemektedir.

    Teslimat: 15:00' a kadar yapılan siparişler aynı gün kargoya teslim edilir.
T-Soft E-Ticaret Sistemleriyle Hazırlanmıştır.