WhatsApp Image 2026-04-30 at 14.41.28.jpeg (56 KB)
Siemens

SIEMENS 3SN...60SN YILDIZ ÜÇGEN ZAMAN RÖLESİ 225 MM 1NO 1 GECİKMELİ NO12-240V SIRIUS 3RP2 ZAMAN RÖLESİ

Ürün Kodu : SIE-3RP2576-1NW30
%68 İskonto
6.440,40 TL
2.060,93 TL
4.379,47 TL
KDV Dahildir.
9ayavaran1.png (11 KB)
güvenli1a.png (10 KB)
Kampanya
  • Ürün Özellikleri
  • Ödeme Seçenekleri
  • İade ve Teslimat
  • Yorumlar (0)
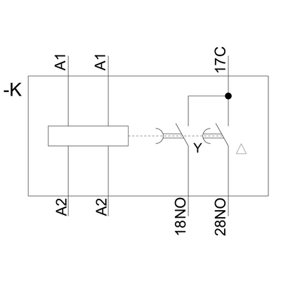
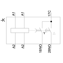
  • SIEMENS SIRIUS 3RP2 Yıldız Üçgen Rölesi

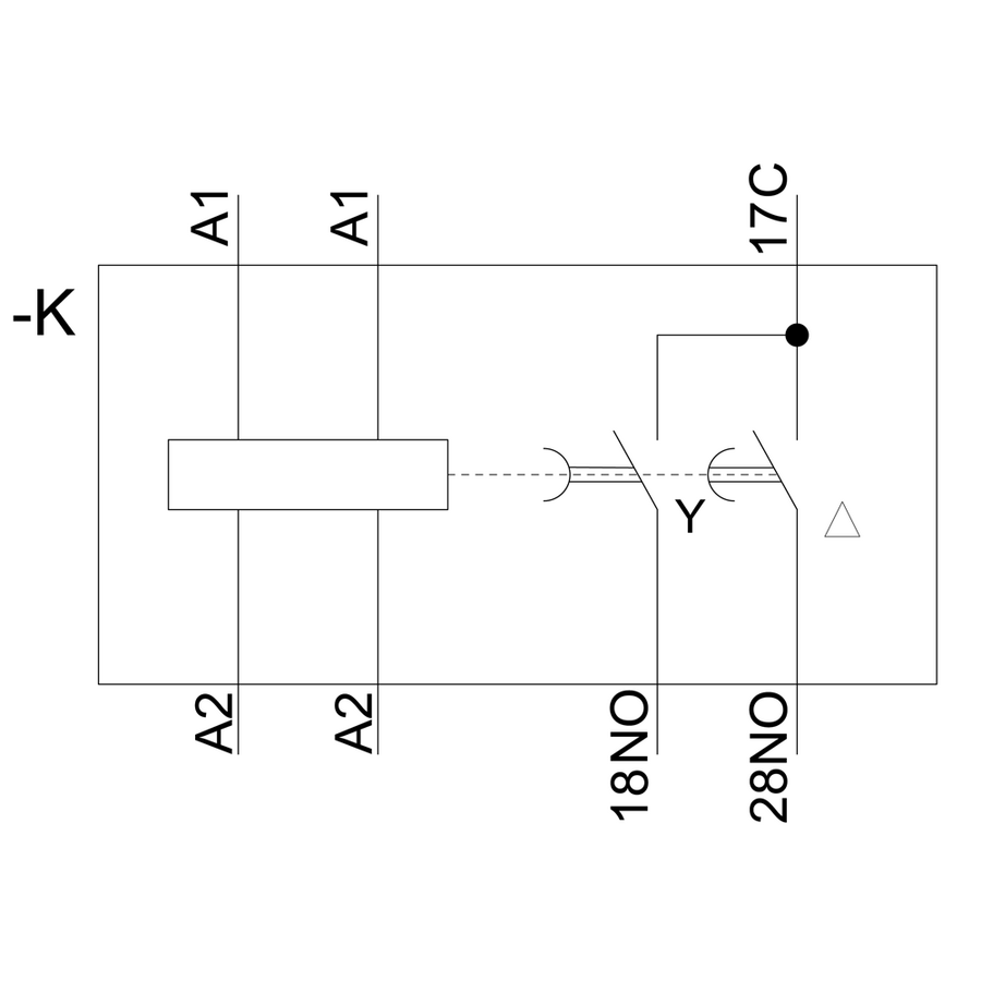
    Siemens SIRIUS 3RP2 serisi zaman rölesi motorların yıldız-üçgen devrelerinde kontrollü çalıştırılması için tasarlanmıştır. 3…60 sn zaman aralığı . 1 (NO) gecikmeli ve 1 (NO) anlık kontak . AC/DC 12-240 V besleme gerilimi . Vida bağlantı klemensleri ile kolay montaj sağlar. 

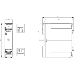
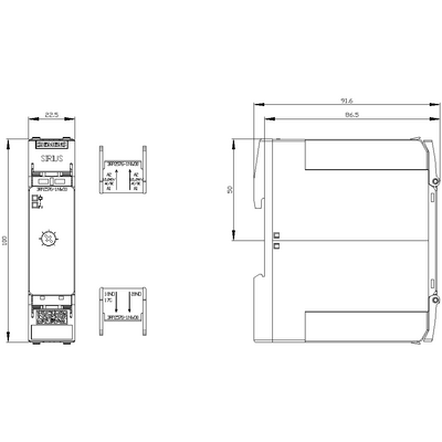
    Tam Ürün Kodu3RP2576-1NW30
    MarkasıSIEMENS
    Barkod4011209943889.0
    En (cm)3.6
    Boy (cm)10.9
    Derinlik (cm)12.6
    Ağırlık (kg)0.158
    ÜrünYıldız-Üçgen Zaman Rölesi
    SeriSIRIUS 3RP2576-1NW30
    Gerilim240 V AC-DC
    ürün marka adıSIRIUS
    ürün tanımızaman rölesi
    ürün modeliYıldız-Üçgen fonksiyonu
    ürün tipi tanımı3RP25
    Genel teknik veriler
    ürün özelliği iletken plakası üzerinde koruma kaplamasıHayir
    ürün bileşeni 
    ● röle çıkışıEvet
    ● yarı iletken çıkışıHayir
    ürün ilavesi gerekli uzaktan kumandaHayir
    ürün ilavesi opsiyonel uzaktan kumandaHayir
    güç kaybı [W] maksimum2 W
    izolasyon gerilimi IEC 60664 uyarınca aşırı gerilim kategorisi III için kirlilik derecesi 3’te anma değeri300 V
    test gerilimi izolasyon kontrolü için2,5 kV
    kirlilik derecesi3
    şok gerilim mukavemeti anma değeri4 000 V
    şok mukavemeti IEC 60068-2-27 uyarınca11g / 15 ms
    titreşime dayanıklılık IEC 60068-2-6 uyarınca10 ... 55 Hz / 0,35 mm
    mekanik kullanım süresi (işletim çevrimleri) tipik10 000 000
    elektrikli işletim süresi (işletim çevrimleri) AC-15'te 230 V'ta tipik100 000
    ayarlanabilir süre3 ... 60 s
    bağıl ayar hassasiyeti skala son değeri bazında5 %; +/-
    termik akım5 A
    yeniden çalışmaya hazır olma süresi250 ms
    referans işareti IEC 81346-2:2009 uyarıncaK
    bağıl tekrarlama hassasiyeti1 %; +/-
    ortam sıcaklığının etkisiAyarlanan çalışma süresinde tüm sıcaklık aralığında %1
    besleme gerilimine etkisiAyarlanan çalışma süresinde tüm gerilim aralığında %1
    RoHS yönetmeliği (tarih)09/12/2014
    SVHC substance name

    Lead - 7439-92-1

    Lead monoxide (lead oxide) - 1317-36-8

    2-methyl-1-(4-methylthiophenyl)-2-morpholinopropan-1-one - 71868-10-5

    6,6'-di-tert-butyl-2,2'-methylenedi-p-cresol - 119-47-1

    Ağırlık0,154 kg
    Kontrol devresi/ Kumanda
    gerilim türü kontrol besleme gerilimiAC/DC
    kontrol besleme gerilimi 1 AC'de 
    ● 50 Hz'de12 ... 240 V
    ● 60 Hz'de12 ... 240 V
    kontrol besleme gerilimi frekansı 150 ... 60 Hz
    kontrol besleme gerilimi 1 DC'de12 ... 240 V
    çalışma alanı faktörü kontrol gerilimi anma değeri DC'de 
    ● başlangıç değeri0,8
    ● bitiş değeri1,1
    çalışma alanı faktörü kontrol gerilimi anma değeri AC'de 50 Hz'de 
    ● başlangıç değeri0,8
    ● bitiş değeri1,1
    çalışma alanı faktörü kontrol gerilimi anma değeri AC'de 60 Hz'de 
    ● başlangıç değeri0,8
    ● bitiş değeri1,1
    çalıştırma akımı zirvesi 
    ● 24 V'ta0,5 A
    ● 240 V'ta5 A
    çalıştırma akımı zirvesinin süresi 
    ● 24 V'ta0,4 ms
    ● 240 V'ta0,5 ms
    Anahtarlama fonksiyonu
    anahtarlama fonksiyonu 
    ● yanıt gecikmeliHayir
    ● yanıt gecikmeli/hemen anahtarlamaHayir
    ● açılma hareketliHayir
    ● açmayı geciktirici/hemen anahtarlamaHayir
    ● bırakma gecikmeliHayir
    anahtarlama fonksiyonu 
    ● duraklama ile başlayan simetrik yanıp sönme/hemen anahtarlamaHayir
    ● duraklama ile başlayan simetrik yanıp sönmeHayir
    ● impuls ile başlayan simetrik yanıp sönme/hemen anahtarlamaHayir
    ● impuls ile başlayan simetrik yanıp sönmeHayir
    ● duraklama ile başlayan asimetrik yanıp sönmeHayir
    ● impuls ile başlayan asimetrik yanıp sönmeHayir
    anahtarlama fonksiyonu 
    ● müteakip çalışma süreli yıldız üçgen anahtarlamaHayir
    ● yıldız üçgen anahtarlamaEvet
    anahtarlama fonksiyonu kumanda sinyalli 
    ● ek olarak çekme gecikmeliHayir
    ● kapatmayı geciktiriciHayir
    ● kapatmayı geciktirici/hemen anahtarlamaHayir
    ● bırakma gecikmeliHayir
    ● bırakma gecikmeli/hemen anahtarlamaHayir
    ● impuls gecikmeliHayir
    ● impuls gecikmeli/hemen anahtarlamaHayir
    ● impulsluHayir
    ● impulslu/hemen anahtarlamaHayir
    ● ek olarak çekme gecikmeli/hemen anahtarlamaHayir
    ● yanıt gecikmeli/bırakma gecikmeli/hemen anahtarlamaHayir
    ● açılma hareketliHayir
    ● açmayı geciktirici/hemen anahtarlamaHayir
    anahtarlama fonksiyonu gidip gelme kontağı rölesi kumanda sinyalli 
    ● kumanda sinyali kapalı durumdayken sonradan tetiklenebilir/hemen anahtarlamaHayir
    ● kumanda sinyali açık durumdayken sonradan tetiklenebilirHayir
    ● kumanda sinyali açık durumdayken sonradan tetiklenebilir/hemen anahtarlamaHayir
    ● kumanda sinyali kapalı durumdayken sonradan tetiklenebilirHayir
    Kısa devre koruması
    sigorta elemanı modeli yardımcı anahtar kısa devre koruması için gereklisigorta gL/gG: 4 A
    Yardιmcι akιm devresi
    malzeme anahtar kontağıAgSnO2
    açıcı sayısı 
    ● gecikmeli anahtarlama0
    ● gecikmesiz anahtarlama0
    kapayıcı sayısı 
    ● gecikmeli anahtarlama1
    ● gecikmesiz anahtarlama1
    CO kontak sayısı 
    ● gecikmeli anahtarlama0
    ● gecikmesiz anahtarlama0
    işletim akımı yardımcı kontaklar AC-15'te 
    ● 24 V'ta3 A
    ● 250 V'ta3 A
    işletim akımı yardımcı kontaklar DC-13'te 
    ● 24 V'ta1 A
    ● 125 V'ta0,2 A
    ● 250 V'ta0,1 A
    anahtarlama frekansı 3RT2 kontaktörü kontaktörüyle maksimum5 000 1/h
    kontak güvenilirliği yardımcı kontaklarbeher 100 milyonda hatalı çalıştırma (17 V, 5 mA)
    kontak yük kapasitesi yardımcı kontaklar UL uyarıncaR300 / B300
    anahtarlama akım durumu endüktif yükte0,01 ... 3 A
    Girişler/ Çıkışlar
    ürün fonksiyonu 
    ● röle çıkışlarında geciktirilebilir/gecikmesiz geçişHayir
    ● sıfır gerilim emniyetiHayir
    Elektro manyetik uyumluluk
    EMU parazit yayımı IEC 61812-1 uyarıncaortam A (sanayi sahası)
    EMU parazit direnci IEC 61812-1 uyarıncaönem derecesi 3’e denktir
    iletkene bağlı parazit oluşumu 
    ● patlama nedeniyle IEC 61000-4-4 uyarınca2 kV şebeke bağlantısı/ 1 kV kontrol soketi
    ● iletken topraklama dalgalanma nedeniyle IEC 61000-4-5 uyarınca2 kV
    ● hattan hata dalgalanma nedeniyle IEC 61000-4-5 uyarınca1 kV
    alana bağlı parazit IEC 61000-4-3 uyarınca10 V/m
    elektro statik boşalım IEC 61000-4-2 uyarınca4 kV Kontak boşaltımı / 8 kV hava boşaltımı
    Emniyet
    kategori EN 954-1 uyarıncayok
    Elektrik Güvenliği
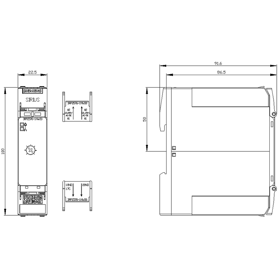
    IP koruma türü ön tarafta IEC 60529 uyarıncaIP20
    izolasyon türüTemel izolasyon
    Bağlantılar/ Terminaller
    ürün bileşeni çıkarılabilir yardımcı akım ve kontrol devresi terminaliEvet
    elektrik bağlantısı modeli yardımcı ve kontrol devreleri içinvida bağlantısı
    bağlanabilir iletken kesiti türü 
    ● tek telli1x (0,5 ... 4 mm²), 2x (0,5 ... 2,5 mm²)
    ● ince telli kablo uç işlemeli1x (0,5 ... 4 mm²), 2x (0,5 ... 1,5 mm²)
    ● AWG hatlarında tek telli1x (20 ... 12), 2x (20 ... 14)
    ● AWG hatlarında çok telli1x (20 ... 12), 2x (20 ... 14)
    bağlanabilir iletken kesiti 
    ● tek telli0,5 ... 4 mm²
    ● ince telli kablo uç işlemeli0,5 ... 4 mm²
    AWG numarası kodlanmış bağlanabilir iletken kesiti 
    ● tek telli20 ... 12
    ● çok telli20 ... 14
    sıkma torku0,6 ... 0,8 N·m
    yiv modeli bağlantı vidasıM3
    Montaj/ Sabitleme/ Ebatlar
    montaj konumuisteğe göre
    sabitleme türü35 mm'lik üstten geçmeli raya vidalı ve tırnaklı sabitleme
    yükseklik100 mm
    genişlik22,5 mm
    derinlik90 mm
    uyulması gereken mesafe 
    ● sıralı montajda 
    — önde0 mm
    — geride0 mm
    — yukarı0 mm
    — aşağı doğru0 mm
    — yanlarda0 mm
    ● topraklanmış parçalara 
    — önde0 mm
    — geride0 mm
    — yukarı0 mm
    — yanlarda0 mm
    — aşağı doğru0 mm
    ● gerilim taşıyan parçalara 
    — önde0 mm
    — geride0 mm
    — yukarı0 mm
    — aşağı doğru0 mm
    — yanlarda0 mm
    Ortam koşulları
    kurulum yüksekliği NN üzerinde yükseklikte maksimum2 000 m
    ortam sıcaklığı 
    ● işletim sırasında-25 ... +60 °C
    ● depolama sırasında-40 ... +85 °C
    ● taşıma sırasında-40 ... +85 °C
    bağıl nem işletim sırasında10 ... 95 %

  • İade Kabulu: İade edilen ürünlerin kutusu ambalajı zarar görmemiş, yeniden satılabilir kullanılabilir ve satışa hazır olması halinde iadeler kabul edilir.

    İade Reddi: Ürünün kutusu ambalajı açılmış ve montajı yapılmış ürünlerin iadesi kesinlikle kabul edilmemektedir.

    Teslimat: 15:00' a kadar yapılan siparişler aynı gün kargoya teslim edilir.
T-Soft E-Ticaret Sistemleriyle Hazırlanmıştır.