Siemens

SIEMENS SİRİUS ACT PLASTİK YEŞİL KOMPLE IŞIKLI YAY DÖNÜŞLÜ BUTONLAR 230AC 1NO 4011209959415

Ürün Kodu : SIE-3SU1106-0AB40-1BA0
%62 İskonto
2.018,40 TL
766,99 TL
1.251,41 TL
KDV Dahildir.
9ayavaran1.png (11 KB)
güvenli1a.png (10 KB)
Kampanya
  • Ürün Özellikleri
  • Ödeme Seçenekleri
  • İade ve Teslimat
  • Yorumlar (0)
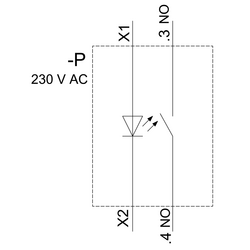
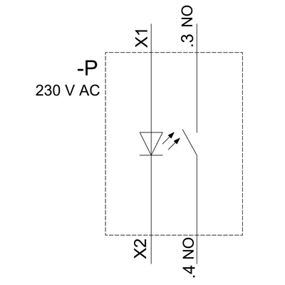
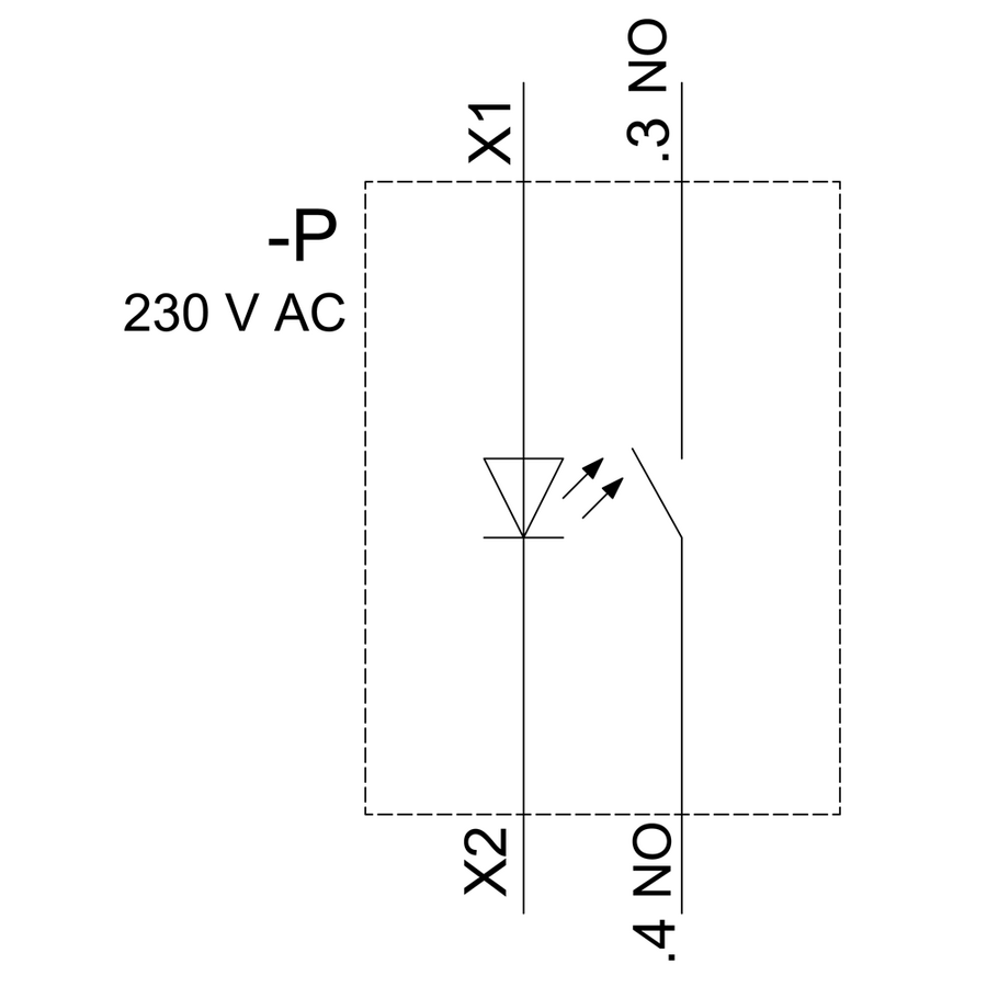
  • SIEMENS 3SU1106-0AB40-1BA0 YEŞİL IŞIKLI BASMALI BUTON 22 MM YUVARLAK PLASTİK YASSI TİP 1NO AC 230V LED MODÜLLÜ 

    Siemens 3SU1106-0AB40-1BA0, 22 mm, yuvarlak, plastik gövdeli, yeşil ışıklı, yassı tip, basmalı, 1NO kontak yapısına sahip bir SIRIUS ACT butonudur. Ürün, AC 230V entegre LED modülü ile birlikte gelir ve vida tipi klemens bağlantısı sunar.

    SIRIUS ACT serisi, elektrikli tüketicilerin güvenilir şekilde anahtarlanması ve kumanda edilmesi için tasarlanmış yüksek kaliteli kontrol ve sinyal cihazlarından oluşur. Dayanıklı plastik yapı ve modern tasarım, cihazı hem iç hem de dış mekân endüstriyel uygulamalar için uygun hâle getirir.

    Yenilikçi geçme montaj (snap-on) tasarımı sayesinde kurulum sırasında özel bir alet gerektirmez; tek elle hızlı ve güvenli montaj yapılabilir. Entegre %100 bükülme koruması, montaj delikleri için yivsiz delik kullanılmasına olanak tanır.

    Yüksek koruma sınıfı sayesinde cihaz; toz, yağ, nem ve agresif maddelere karşı dayanıklıdır. Hatta yüksek basınçlı su püskürtücülerle temizlendiğinde bile performans kaybı yaşanmaz.

    Standart bağlantı yöntemlerine ek olarak SIRIUS ACT ürünleri, PROFINET, AS-Interface veya IO-Link üzerinden kumanda panellerine bağlanabilir. Bu sayede kablolama ihtiyacı azalır, hata kaynakları düşer ve sistem esnekliği artar.

    Siemens’in çevrimiçi yapılandırıcısı sayesinde cihaz seçimi, kombinasyon oluşturma ve sipariş süreçleri son derece kolaydır. Ayrıca el kitabı, bağlantı şemaları ve 3D çizimler gibi kapsamlı teknik dokümantasyonlar da mevcuttur.

    Marka Siemens
    Tedarikçi No 3SU1106-0AB40-1BA0
    Açıklama Illuminated pushbutton, 22 mm, round, plastic, green, pushbutton, flat, momentary contact type, with holder, 1 NO, LED module with integrated LED 230 V AC, screw terminal
    GTIN 4011209959415
    Ağırlık 0.058
    Derinlik 0.047
    En 0.093
    Uzunluk 0.135

  • İade Kabulu: İade edilen ürünlerin kutusu ambalajı zarar görmemiş, yeniden satılabilir kullanılabilir ve satışa hazır olması halinde iadeler kabul edilir.

    İade Reddi: Ürünün kutusu ambalajı açılmış ve montajı yapılmış ürünlerin iadesi kesinlikle kabul edilmemektedir.

    Teslimat: 15:00' a kadar yapılan siparişler aynı gün kargoya teslim edilir.
T-Soft E-Ticaret Sistemleriyle Hazırlanmıştır.